• Comedy Club
  • Уральские Пельмени
  • Однажды в России
  • Вечерний Ургант
  • КВН

Радиотехника У 020 Стерео Схема

Радиотехника у 020 стерео схема
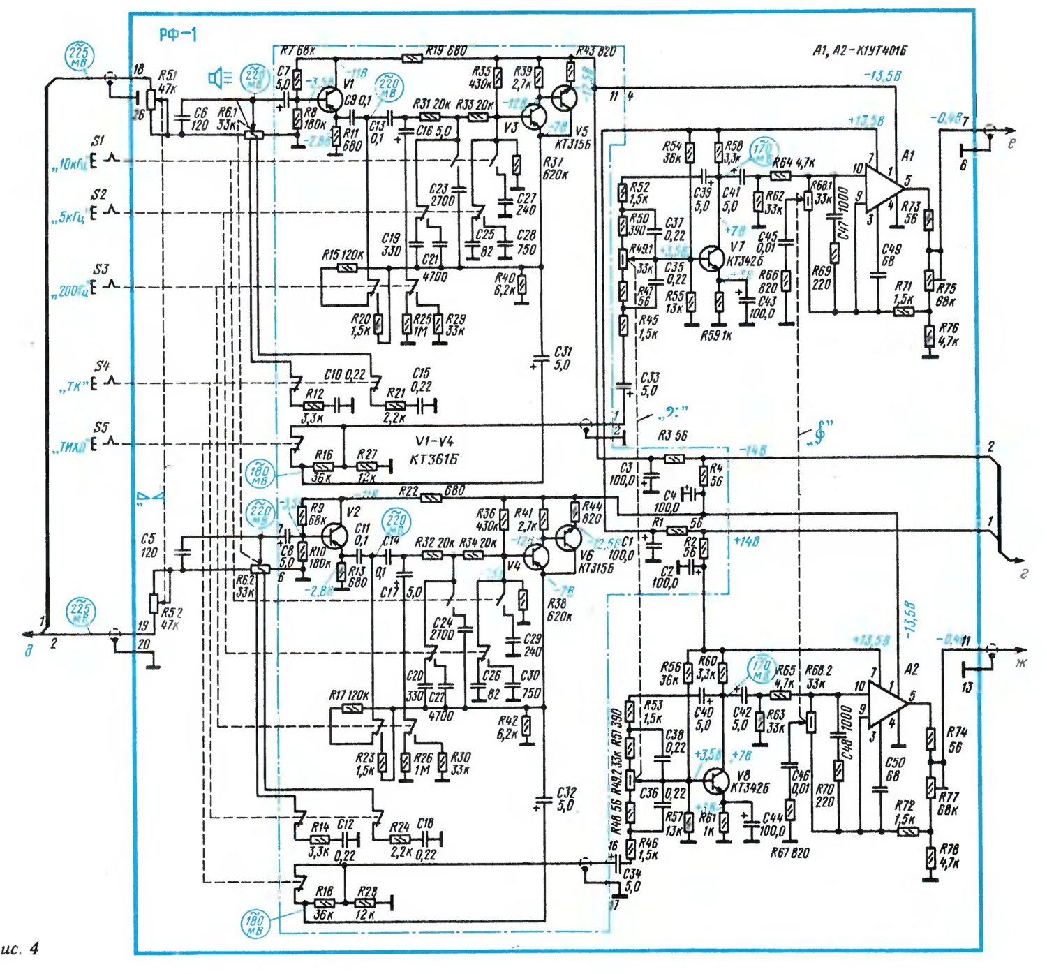
Восстановленная электрическая схема усилителя радиотехника-020-стерео 1977г. радиотехника у 020 стерео схема.
Канал: Восстановление схем аудиотехники СССР - Категория: Ремонт Авто - Дата: 12.05.2024

Радиотехника УКУ-020 ч 2 - ещё ремонт измерения и прослушивание

Автор: ussraudio001 43 866 просмотров

УКУ-020 Какая гадость - эти ваши потенциометры

Автор: Георгий Верёвкин 19 993 просмотра

Радиотехника УКУ-020 ч 1 - обзор ремонт установка защиты

Автор: ussraudio001 38 981 просмотр

Ремонт УКУ-020 Мастер-класс от Старого Радиомеханика 1 часть

Автор: Георгий Верёвкин 59 935 просмотров


Фотографии

радиотехника у 020 стерео схема радиотехника у 020 стерео схема радиотехника у 020 стерео схема радиотехника у 020 стерео схема радиотехника у 020 стерео схема радиотехника у 020 стерео схема радиотехника у 020 стерео схема радиотехника у 020 стерео схема радиотехника у 020 стерео схема радиотехника у 020 стерео схема радиотехника у 020 стерео схема радиотехника у 020 стерео схема радиотехника у 020 стерео схема радиотехника у 020 стерео схема радиотехника у 020 стерео схема радиотехника у 020 стерео схема радиотехника у 020 стерео схема радиотехника у 020 стерео схема радиотехника у 020 стерео схема радиотехника у 020 стерео схема


Усилитель Радиотехника Уку 020 Стерео Схема
Унч Родина 1 Схема Электрическая Принципиальная
Microlab Solo 7 Схема Принципиальная Электрическая
Канал Вячеслав Степанов 2024
Ta8264Ahq Схема Усилителя
La47201 Схема Усилителя
La47201 Схема Усилителя Мощности
An7522N Схема Усилителя
Электронный Фильтр Для Лампового Усилителя Схема
Радиатор Печки Мерседес W220 Замена
Радиатор Печки Зафира Б
Радиатор Отопителя Мерседес Е200 Где Находится
Популярное:
Реле Дворников Урал 4320
Санг Енг Корандо 2002 Дизель Схема Воздуховода Отопителя
B151363
Замена Лобового Стекла Урал 4320
Сейчас смотрят:
Загорелась Лампочка Р Диф Темп Субару Форестер 4
Датчик Температуры Форд Транзит 2.2 Дизель Где Стоит
Камаз Евро 5 Масляные Фильтра Как Правильно Ставить
Hobdrive Toyota Passo
  • Наедине со всеми 2024
  • Все Рецепты
  • Ремонт Авто
  • Новости дня
  • Про насекомых каналы 2024
  • Детские каналы 2024
  • Игровые каналы 2024
  • Прожекторперисхилтон 2024
  • Воскресный вечер 2024
  • Камеди Вумен 2024
  • Жди меня 2024
  • 60 минут 2024
  • Вечерний Ургант 2024
  • КВН 2024
  • Однажды в России 2024
  • Уральские Пельмени 2024
  • Камеди Клаб 2024

2022 © для связи: moiafania@gmail.com
  •