• Comedy Club
  • Уральские Пельмени
  • Однажды в России
  • Вечерний Ургант
  • КВН

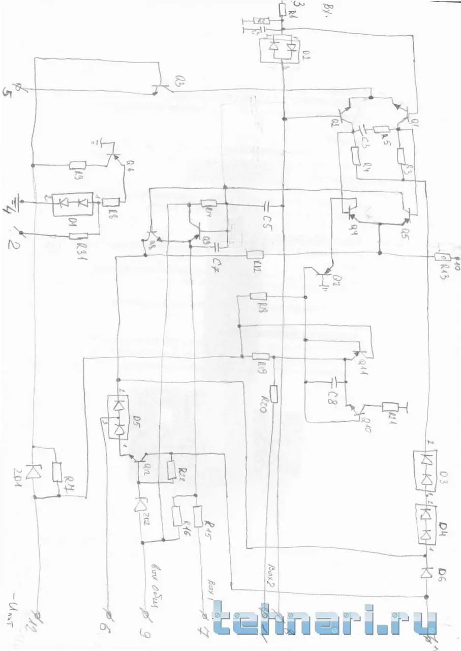
Microlab Solo 7C Схема

Microlab solo 7c схема
Колонки microlab solo 6 развод потребителя на деньги, ремонт и обзор microlab solo 7c схема.
Канал: Dima34 - Категория: Ремонт Авто - Дата: 10.05.2024

Искажение звука Не регулируется громкость акустики Microlab Solo 7C

Автор: Remonter 209 371 просмотр

Гудит колонка Microlab Микролаб - ремонт акустикив FixAudio ru

Автор: Vladimir Chaikovskii 31 117 просмотров

Microlab Solo 7C modern три полоски

Автор: Владимир Борисович 44 570 просмотров

Как отремонтировать акустическую систему microlab solo 6

Автор: Eduard Danylov 6 305 просмотров


Фотографии

microlab solo 7c схема microlab solo 7c схема microlab solo 7c схема microlab solo 7c схема microlab solo 7c схема microlab solo 7c схема microlab solo 7c схема microlab solo 7c схема microlab solo 7c схема microlab solo 7c схема microlab solo 7c схема microlab solo 7c схема microlab solo 7c схема microlab solo 7c схема microlab solo 7c схема microlab solo 7c схема microlab solo 7c схема microlab solo 7c схема microlab solo 7c схема microlab solo 7c схема


Микролаб Про 3 Схема
Microlab Solo 7 Схема Принципиальная Электрическая
Microlab Pro 3 Схема Усилителя
Microlab Fc730 Схема Принципиальная
Как Увеличить Громкость Exeed Lx
Схема Усилителя Microlab Pro 3
Microlab Fc730 Схема Усилителя
Fc730 Microlab Схема
Петров Сергей Борисович Первый Мед
Microlab Solo 7 Схема Принципиальная Электрическая
Microlab Fc730 Схема Усилителя
Mercedes Benz Kod Neispravnosti 8095
Популярное:
Реле Дворников Урал 4320
Санг Енг Корандо 2002 Дизель Схема Воздуховода Отопителя
B151363
Замена Лобового Стекла Урал 4320
Сейчас смотрят:
Где Находится Предохранитель Крана Отопителя Газ 31105 Крайслер
Gps 300Ab 100V Схема
Как Слить Антифриз Крайслер Вояджер 2.4 Бензин
Замена Прокладки Клапанной Крышки Qx56
  • Наедине со всеми 2024
  • Все Рецепты
  • Ремонт Авто
  • Новости дня
  • Про насекомых каналы 2024
  • Детские каналы 2024
  • Игровые каналы 2024
  • Прожекторперисхилтон 2024
  • Воскресный вечер 2024
  • Камеди Вумен 2024
  • Жди меня 2024
  • 60 минут 2024
  • Вечерний Ургант 2024
  • КВН 2024
  • Однажды в России 2024
  • Уральские Пельмени 2024
  • Камеди Клаб 2024

2022 © для связи: moiafania@gmail.com
  •