• Comedy Club
  • Уральские Пельмени
  • Однажды в России
  • Вечерний Ургант
  • КВН

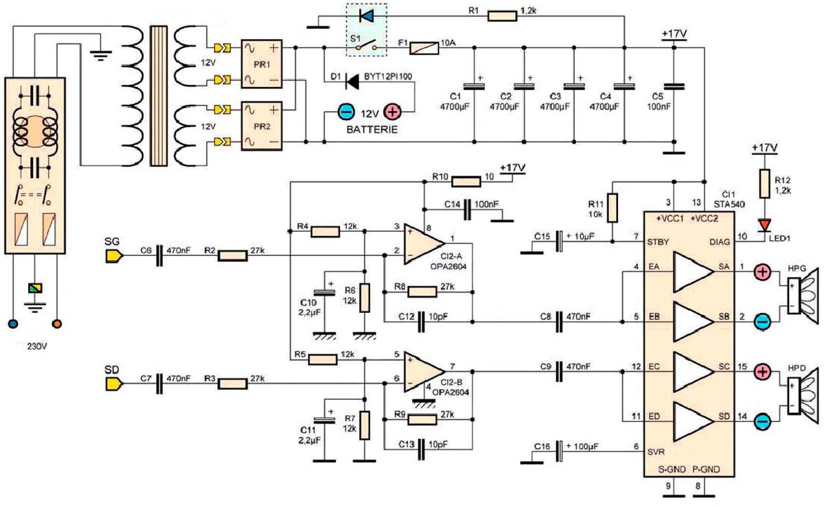
Microlab Fc730 Схема Усилителя

Microlab fc730 схема усилителя
Моддинг усилителя microlab fc-730 microlab fc730 схема усилителя.
Канал: Custom_MOD - Категория: Ремонт Авто - Дата: 10.05.2024

Ремонт усилителя MICROLAB

Автор: РадиоКухня 6 822 просмотра

Сильно шумит акустика усилитель Microlab FC730

Автор: Remonter 299 280 просмотров

Ремонт усилителя Microlab

Автор: Andrey Golubev 46 494 просмотра

Microlab FC730 фон в колонках доработка

Автор: Роман Явич 3 141 просмотр


Фотографии

microlab fc730 схема усилителя microlab fc730 схема усилителя microlab fc730 схема усилителя microlab fc730 схема усилителя microlab fc730 схема усилителя microlab fc730 схема усилителя microlab fc730 схема усилителя microlab fc730 схема усилителя microlab fc730 схема усилителя microlab fc730 схема усилителя microlab fc730 схема усилителя microlab fc730 схема усилителя microlab fc730 схема усилителя microlab fc730 схема усилителя microlab fc730 схема усилителя microlab fc730 схема усилителя microlab fc730 схема усилителя microlab fc730 схема усилителя microlab fc730 схема усилителя microlab fc730 схема усилителя


Microlab Fc730 Схема Принципиальная
Fc730 Microlab Схема
Microlab Pro 3 Схема Усилителя
Схема Усилителя Microlab Pro 3
Microlab Solo 7 Схема Принципиальная Электрическая
Канал Иван Кириленко 2024
Microlab Solo 7C Схема
Microlab Pro 2 Доработка
Антенный Усилитель Гном Схема
Mercedes Benz Kod Neispravnosti 8095
Meb Fault Ошибка Voyah
Mazda Cx5 2019 Сеовисное Меню Магнитоллы
Популярное:
Реле Дворников Урал 4320
Санг Енг Корандо 2002 Дизель Схема Воздуховода Отопителя
B151363
Замена Лобового Стекла Урал 4320
Сейчас смотрят:
Где Находится Предохранитель Крана Отопителя Газ 31105 Крайслер
Gps 300Ab 100V Схема
Как Слить Антифриз Крайслер Вояджер 2.4 Бензин
Замена Прокладки Клапанной Крышки Qx56
  • Наедине со всеми 2024
  • Все Рецепты
  • Ремонт Авто
  • Новости дня
  • Про насекомых каналы 2024
  • Детские каналы 2024
  • Игровые каналы 2024
  • Прожекторперисхилтон 2024
  • Воскресный вечер 2024
  • Камеди Вумен 2024
  • Жди меня 2024
  • 60 минут 2024
  • Вечерний Ургант 2024
  • КВН 2024
  • Однажды в России 2024
  • Уральские Пельмени 2024
  • Камеди Клаб 2024

2022 © для связи: moiafania@gmail.com
  •