• Comedy Club
  • Уральские Пельмени
  • Однажды в России
  • Вечерний Ургант
  • КВН

Сузуки Лиана Не Работает Подогрев Сидений

Сузуки лиана не работает подогрев сидений
За 12 секунд нашёл неисправность подогрева сидения сузуки лиана не работает подогрев сидений.
Канал: Автокладовка nn - Категория: Ремонт Авто - Дата: 12.05.2024

не работает подогрев сидений SsangYong

Автор: Konstantin Trepov 3 280 просмотров

Подогрев сидений Восстанавливаем работоспособность

Автор: Ремонт ходовой. Electrovovik -Электрововик. 121 154 просмотра

Как работает подогрев сидений Ремонт схема неисправности Попогрей

Автор: Автоэлектрика онлайн. 124 720 просмотров

ремонт подогрева сидений без снятия Chevrolet

Автор: Konstantin Trepov 24 549 просмотров


Фотографии

сузуки лиана не работает подогрев сидений сузуки лиана не работает подогрев сидений сузуки лиана не работает подогрев сидений сузуки лиана не работает подогрев сидений сузуки лиана не работает подогрев сидений сузуки лиана не работает подогрев сидений сузуки лиана не работает подогрев сидений сузуки лиана не работает подогрев сидений сузуки лиана не работает подогрев сидений сузуки лиана не работает подогрев сидений сузуки лиана не работает подогрев сидений сузуки лиана не работает подогрев сидений сузуки лиана не работает подогрев сидений сузуки лиана не работает подогрев сидений сузуки лиана не работает подогрев сидений сузуки лиана не работает подогрев сидений сузуки лиана не работает подогрев сидений сузуки лиана не работает подогрев сидений сузуки лиана не работает подогрев сидений сузуки лиана не работает подогрев сидений

Ответы на вопросы:

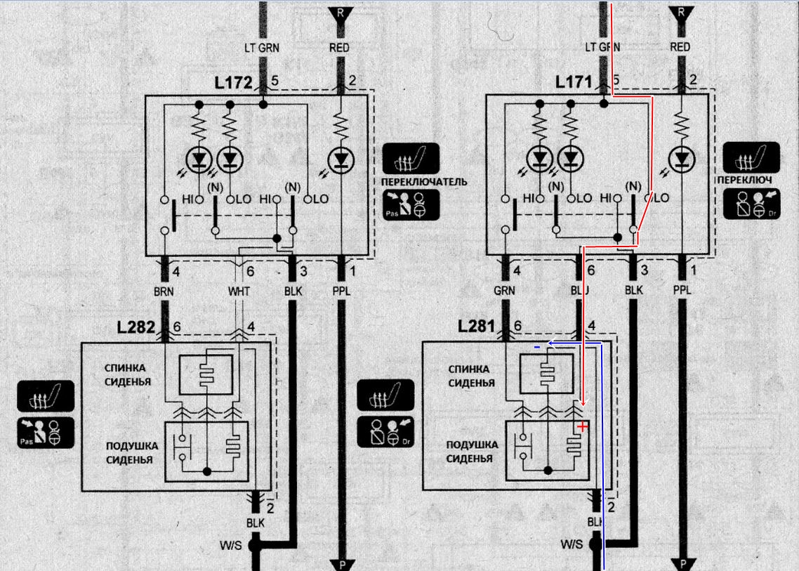
Какой предохранитель отвечает за подогрев сидений?
Находим предохранитель, что отвечает за подогрев сидений. В нашем случае это №16.
Почему не работают подогревы сидений?
Есть четыре причины, по которым перестает работать или работать нормально штатный обогрев сидений: сгорел предохранитель, окислился контакт под сидением, подогрева в принципе не было изначально и четвертая причина — оборвалась нить нагрева внутри сидения.
Нужно ли реле на подогрев сидений?
имхо для обогрева сидений не нужно никакого реле, т. к. токовая нагрузка в данном случае невелика, кнопка вполне выдержит нагрузку. Цепь "А" (+12 В), цепь "В" (ГАБАРИТЫ).
Можно ли сразу включать подогрев сидений?
Включать подогрев сидений на максимум нужно сразу после запуска двигателя. Держать на таком уровне 3-5 минут, а затем переключить на минимум. Как правило, к этому времени уже можно начинать движение.


Не Работает Подогрев Сидения Чери Тигго Т11
Как Работает Обогрев Сидений В Рено Каптур
Не Работает Подогрев Водительского Сидения Рено Флюенс
Как Вскрыть Сузуки Лиана
Снятие Впускного Коллектора Сузуки Лиана 1.6
Замена Вентилятора Печки Сузуки Лиана
Как Открыть Сузуки Лиана Без Ключей
Замена Ремня Генератора Сузуки Лиана 1.6
Мотор Печки Сузуки Лиана Замена
Сузуки Джимни Лиса Рулит
Сузуки Гранд Витара Хл7 Маленькие Обороты
Сузуки Вагон Р Не Работает Полный Привод
Популярное:
Реле Дворников Урал 4320
Санг Енг Корандо 2002 Дизель Схема Воздуховода Отопителя
B151363
Замена Лобового Стекла Урал 4320
Сейчас смотрят:
Загорелась Лампочка Р Диф Темп Субару Форестер 4
Датчик Температуры Форд Транзит 2.2 Дизель Где Стоит
Камаз Евро 5 Масляные Фильтра Как Правильно Ставить
Hobdrive Toyota Passo
  • Наедине со всеми 2024
  • Все Рецепты
  • Ремонт Авто
  • Новости дня
  • Про насекомых каналы 2024
  • Детские каналы 2024
  • Игровые каналы 2024
  • Прожекторперисхилтон 2024
  • Воскресный вечер 2024
  • Камеди Вумен 2024
  • Жди меня 2024
  • 60 минут 2024
  • Вечерний Ургант 2024
  • КВН 2024
  • Однажды в России 2024
  • Уральские Пельмени 2024
  • Камеди Клаб 2024

2022 © для связи: moiafania@gmail.com
  •