• Comedy Club
  • Уральские Пельмени
  • Однажды в России
  • Вечерний Ургант
  • КВН

Где Стоит Резистор Печки Сузуки Эскудо

Где стоит резистор печки сузуки эскудо
Гранд витара 1.6. мотор печки. резистор отопителя замена. где стоит резистор печки сузуки эскудо.
Канал: S-AVTO - Автосервис Москва - Категория: Ремонт Авто - Дата: 11.05.2024

Ремонт печки Сузуки Эскудо

Автор: ЛЕСНОЙ ДУХ 2 061 просмотр

Реостат и резистор печки что это функции и принцип работы

Автор: Ремонт авто Жора 34 857 просмотров

Реанимируем моторчик печки на сузуки эскудо

Автор: GARAGE 6768 7 665 просмотров

Замена реостата печки Suzuki Escudo Mazda Levante 1997 Не работали первые две скорости обдува печки

Автор: Telemax Story 34 просмотра


Фотографии

где стоит резистор печки сузуки эскудо где стоит резистор печки сузуки эскудо где стоит резистор печки сузуки эскудо где стоит резистор печки сузуки эскудо где стоит резистор печки сузуки эскудо где стоит резистор печки сузуки эскудо где стоит резистор печки сузуки эскудо где стоит резистор печки сузуки эскудо где стоит резистор печки сузуки эскудо где стоит резистор печки сузуки эскудо где стоит резистор печки сузуки эскудо где стоит резистор печки сузуки эскудо где стоит резистор печки сузуки эскудо где стоит резистор печки сузуки эскудо где стоит резистор печки сузуки эскудо где стоит резистор печки сузуки эскудо где стоит резистор печки сузуки эскудо где стоит резистор печки сузуки эскудо где стоит резистор печки сузуки эскудо где стоит резистор печки сузуки эскудо

Ответы на вопросы:

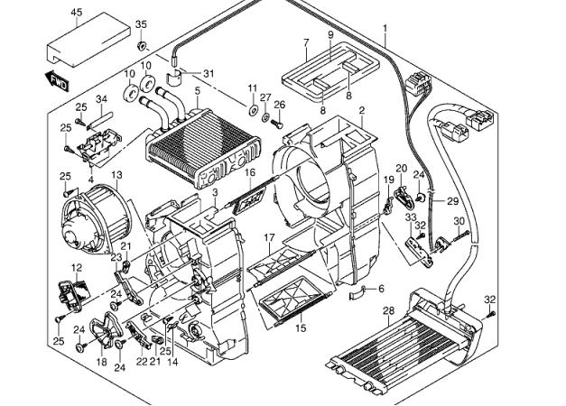
Где стоит резистор печки?
Ну он обычно на корпусе вентилятора стоит. Не на моторчике, а на корпусе в который моторчик вставлен. Легко обнаружить по проводке, которая к нему приходит.
Почему выходит из строя резистор печки?
Резистор перегревается и выходит из строя, когда установлена 1 или 2 скорость вентилятора (на этих режимах нагрузка на резистор максимальная), а вентилятор при включении не может раскрутиться (из-за износа). В этот момент предохранитель и отпаивается. А забитый фильтр салона может только помочь перегреву резистора.
Сколько стоит поменять резистор печки?
Название услуги Цена
Замена резистора печки от 1600 руб.
Замена патрубка печки от 950 руб.
Замена реостата печки от 1200 руб.
Ремонт радиатора печки от 500 руб.
Для чего нужен резистор вентилятора печки?
Резистор предназначен для ступенчатого регулирования скорости вращения электродвигателя вентилятора отопителя посредством подключения нескольких имеющих сопротивление участков-резисторов последовательно электродвигателю за счет понижения на нем напряжения.


Как Снять Вентилятор Печьки Сузуки Эскудо Та02W
Сузуки Эскудо J20A Обороты 1000 Держит
B1133 Ошибка Сузуки Гранд Витара
Замена Радиатора Охлаждения Сузуки Гранд Витара 2.0
Ошибка По Напряжения Дроссельной Заслонки Сузуки Гранд Витара
Как Снять Реостат Вентилятора Отопления На Ситроен С4 B7
Ремонт Кулисы Кпп Сузуки Гранд Витара 2.0
Замена Резистора Печки Опель Астра J
Замена Печки Сузуки Гранд Витара 2008
Где Стоит Предохранитель На Вебасто Пежо Боксер 3
Где Стоит Предохранитель На Вебасто Вольво Хс90 Дизель 2.4Двигатель 2011Г
Где Стоит Помпа На Фусо Кантер
Популярное:
Реле Дворников Урал 4320
Санг Енг Корандо 2002 Дизель Схема Воздуховода Отопителя
B151363
Замена Лобового Стекла Урал 4320
Сейчас смотрят:
Загорелась Лампочка Р Диф Темп Субару Форестер 4
Датчик Температуры Форд Транзит 2.2 Дизель Где Стоит
Камаз Евро 5 Масляные Фильтра Как Правильно Ставить
Hobdrive Toyota Passo
  • Наедине со всеми 2024
  • Все Рецепты
  • Ремонт Авто
  • Новости дня
  • Про насекомых каналы 2024
  • Детские каналы 2024
  • Игровые каналы 2024
  • Прожекторперисхилтон 2024
  • Воскресный вечер 2024
  • Камеди Вумен 2024
  • Жди меня 2024
  • 60 минут 2024
  • Вечерний Ургант 2024
  • КВН 2024
  • Однажды в России 2024
  • Уральские Пельмени 2024
  • Камеди Клаб 2024

2022 © для связи: moiafania@gmail.com
  •