• Comedy Club
  • Уральские Пельмени
  • Однажды в России
  • Вечерний Ургант
  • КВН

Где Находится Топливный Фильтр На Сузуки Сх4 2014

Где находится топливный фильтр на сузуки сх4 2014
Подробно,в двух частях, как нужно заменить бензофильтр тонкой очистки на автомобиле Suzuki SX4
In detail, in two parts, how to replace the fine filter on a Suzuki SX4 car
2 part -- вторая часть ссылка

Suzuki SX4 sedan Japan установка топливного фильтра от Mitsubishi вместо станции в сборе LF972M

Автор: Обо всем на память) путешествия, ремонт, жизнь. 1 947 просмотров

НИКОГДА НЕ МЕНЯЕТЕ ТОПЛИВНЫЙ ФИЛЬТР

Автор: AleksejX 659 817 просмотров

Топливный фильтр и насос Сузуки СХ 4 замена

Автор: Сергей Светлов 6 770 просмотров

Признаки забитого топливного фильтра

Автор: Safe Car 642 718 просмотров


Фотографии

где находится топливный фильтр на сузуки сх4 2014 где находится топливный фильтр на сузуки сх4 2014 где находится топливный фильтр на сузуки сх4 2014 где находится топливный фильтр на сузуки сх4 2014 где находится топливный фильтр на сузуки сх4 2014 где находится топливный фильтр на сузуки сх4 2014 где находится топливный фильтр на сузуки сх4 2014 где находится топливный фильтр на сузуки сх4 2014 где находится топливный фильтр на сузуки сх4 2014 где находится топливный фильтр на сузуки сх4 2014 где находится топливный фильтр на сузуки сх4 2014 где находится топливный фильтр на сузуки сх4 2014 где находится топливный фильтр на сузуки сх4 2014 где находится топливный фильтр на сузуки сх4 2014 где находится топливный фильтр на сузуки сх4 2014 где находится топливный фильтр на сузуки сх4 2014 где находится топливный фильтр на сузуки сх4 2014 где находится топливный фильтр на сузуки сх4 2014 где находится топливный фильтр на сузуки сх4 2014 где находится топливный фильтр на сузуки сх4 2014

Ответы на вопросы:

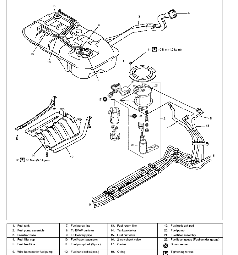
Где находится топливный фильтр на Сузуки сх4?
фильтр вмантирован в топливный насос который стоит на бензобаке. Для замены нужно снять бензобак. Кто снимал?
Пока только планирую) на регламенте 105000 замена топливной станции.
Когда менять топливный фильтр на Сузуки сх4?
Поэтому рекомендуем менять фильтр после 30-35 тысяч километров. Делать это следует во время ремонта, связанного с топливной конструкцией или при заметных сбоях ее функционирования.
Где обычно находится топливный фильтр?
Где находится топливный фильтр?
Топливный фильтр расположен либо внутри топливного бака, либо установлен в топливопроводе между баком и топливным насосом.
Как понять что топливный фильтр?
Как можно понять, что забит топливный фильтр: Затрудненный запуск ... Нарушения в функционировании двигателя ... Уменьшение мощности двигателя ... Глохнет мотор ... Повышенный расход топлива ... Загорается Check Engine. ... Визуальный осмотр ... Замер давления в топливной системе


Фильтр Тонкой Очистки Джак 120 Где Стоит
Замена Топливного Фильтра Subaru Xv 2018
Где У Сузуки Сх4 Буксировочный Крюк Спереди
Как Снять Переднюю Фару На Сузуки Сх4 Видео
Как Снять Фару На Сузуки Сх4 Переднюю
Замена Топливного Фильтра Фольксваген Тигуан 1.4 Бензин
Сузуки Сх4 Замена Датчика Абс Заднего Правова
Замена Передней Фары Сузуки Сх4
Замена Сцепления Сузуки Сх4 Полный Привод Механика
Где Находится Топливный Насос На Мак 440
Где Находится Термостат Хендай Аванта 2008Г
Где Находится Термостат На Шкода Октавия А5 1.8 Tsi
Популярное:
Реле Дворников Урал 4320
Санг Енг Корандо 2002 Дизель Схема Воздуховода Отопителя
B151363
Замена Лобового Стекла Урал 4320
Сейчас смотрят:
Загорелась Лампочка Р Диф Темп Субару Форестер 4
Датчик Температуры Форд Транзит 2.2 Дизель Где Стоит
Камаз Евро 5 Масляные Фильтра Как Правильно Ставить
Hobdrive Toyota Passo
  • Наедине со всеми 2024
  • Все Рецепты
  • Ремонт Авто
  • Новости дня
  • Про насекомых каналы 2024
  • Детские каналы 2024
  • Игровые каналы 2024
  • Прожекторперисхилтон 2024
  • Воскресный вечер 2024
  • Камеди Вумен 2024
  • Жди меня 2024
  • 60 минут 2024
  • Вечерний Ургант 2024
  • КВН 2024
  • Однажды в России 2024
  • Уральские Пельмени 2024
  • Камеди Клаб 2024

2022 © для связи: moiafania@gmail.com
  •