• Comedy Club
  • Уральские Пельмени
  • Однажды в России
  • Вечерний Ургант
  • КВН

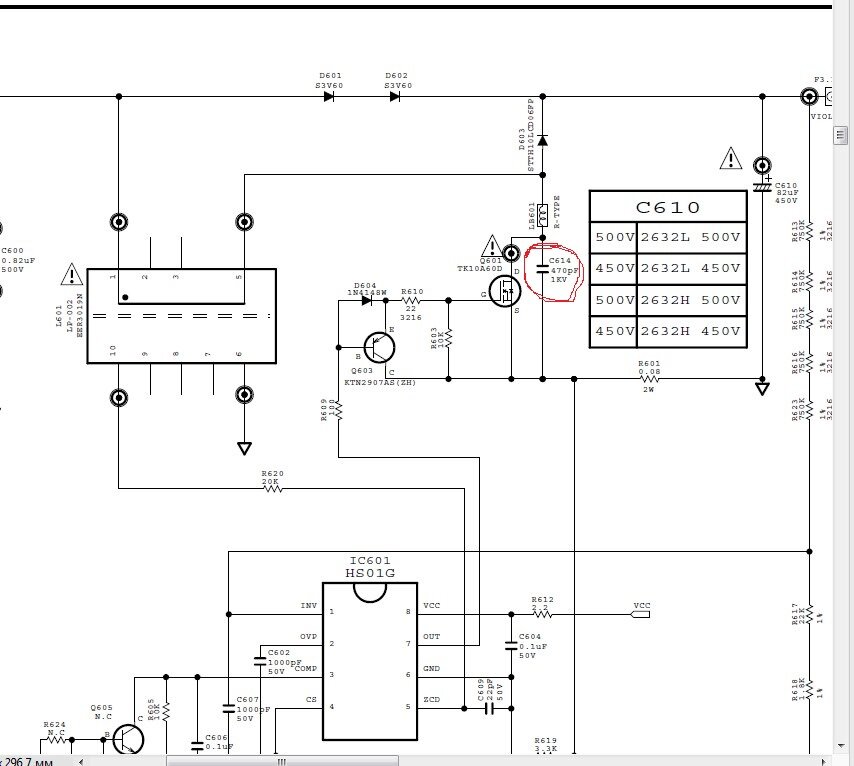
Yp2632T Rev A2 Схема Блока Питания

Yp2632t rev a2 схема блока питания
Ремонт блока питания телевизора lg/ не включается yp2632t rev a2 схема блока питания.
Канал: Evgeny Stepanenko - Категория: Ремонт Авто - Дата: 10.05.2024

Вот оно как Всё просто Включаем БП ТВ без телевизора

Автор: VISION Megawatt 37 927 просмотров

КАК ПОНЯТЬ ЧТО БЛОК ПИТАНИЯ НЕИСПРАВЕН Замена блока питания телевизора

Автор: ЛенРемонт - Денис Сорокин 27 919 просмотров

1 Устройство и принцип работы блоков питания ЖК ТВ Входной фильтр цепь плавного запуска и защиты

Автор: HamRadio Tag 143 488 просмотров

Типовой ремонт блока питания LG 32LJ500U

Автор: RemTV 8 736 просмотров


Фотографии

yp2632t rev a2 схема блока питания yp2632t rev a2 схема блока питания yp2632t rev a2 схема блока питания yp2632t rev a2 схема блока питания yp2632t rev a2 схема блока питания yp2632t rev a2 схема блока питания yp2632t rev a2 схема блока питания yp2632t rev a2 схема блока питания yp2632t rev a2 схема блока питания yp2632t rev a2 схема блока питания yp2632t rev a2 схема блока питания yp2632t rev a2 схема блока питания yp2632t rev a2 схема блока питания yp2632t rev a2 схема блока питания yp2632t rev a2 схема блока питания yp2632t rev a2 схема блока питания yp2632t rev a2 схема блока питания yp2632t rev a2 схема блока питания yp2632t rev a2 схема блока питания yp2632t rev a2 схема блока питания


Yp2632T Схема Блока Питания
Влагомаслоотделитель Урал 4320 Устройство И Принцип Работы
Стеклоочиститель Зил 130 Пневматический Устройство И Принцип Работы
Рулевая Колонка Камаз 65115 Устройство И Принцип Работы
Замена Телевизора Киа Спортейдж 2
Замена Нижней Части Телевизора Лада Гранта
Замена Телевизора Октавия А7
Камеди Матуа Аверин Сорокин И Марина
Замена Телевизора Форд Мондео 4
Xiaomi Su7
W221 Замена Масла В Переднем Редукторе
Voyah Free Снятие Заднего Бампера
Популярное:
Реле Дворников Урал 4320
Санг Енг Корандо 2002 Дизель Схема Воздуховода Отопителя
B151363
Замена Лобового Стекла Урал 4320
Сейчас смотрят:
Где Находится Предохранитель Крана Отопителя Газ 31105 Крайслер
Gps 300Ab 100V Схема
Как Слить Антифриз Крайслер Вояджер 2.4 Бензин
Замена Прокладки Клапанной Крышки Qx56
  • Наедине со всеми 2024
  • Все Рецепты
  • Ремонт Авто
  • Новости дня
  • Про насекомых каналы 2024
  • Детские каналы 2024
  • Игровые каналы 2024
  • Прожекторперисхилтон 2024
  • Воскресный вечер 2024
  • Камеди Вумен 2024
  • Жди меня 2024
  • 60 минут 2024
  • Вечерний Ургант 2024
  • КВН 2024
  • Однажды в России 2024
  • Уральские Пельмени 2024
  • Камеди Клаб 2024

2022 © для связи: moiafania@gmail.com
  •