• Comedy Club
  • Уральские Пельмени
  • Однажды в России
  • Вечерний Ургант
  • КВН

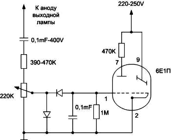
6Е1П Схема Включения В Усилителе

6Е1п схема включения в усилителе
#90- 6Е1п , подключаем, разбираемся, как работает 6е1п схема включения в усилителе.
Канал: Шоу "ИГИП" (Своими руками, DIY-канал) - Категория: Ремонт Авто - Дата: 10.05.2024

Индикатор 6Е1П в ламповом усилителе

Автор: Электрик ТВ 785 просмотров

Ламповый усилитель Индикатор на 6Е1П Зеленый глаз

Автор: Магия лампового звука 29 705 просмотров

Индикатор 6Е1П на ламповом усилителе

Автор: Bootsect 7 305 просмотров

Радиолампа 6Е1П-световой индикатор сигнала и магнитного поля

Автор: Артем Косицын83 46 612 просмотров


Фотографии

6е1п схема включения в усилителе 6е1п схема включения в усилителе 6е1п схема включения в усилителе 6е1п схема включения в усилителе 6е1п схема включения в усилителе 6е1п схема включения в усилителе 6е1п схема включения в усилителе 6е1п схема включения в усилителе 6е1п схема включения в усилителе 6е1п схема включения в усилителе 6е1п схема включения в усилителе 6е1п схема включения в усилителе 6е1п схема включения в усилителе 6е1п схема включения в усилителе 6е1п схема включения в усилителе 6е1п схема включения в усилителе 6е1п схема включения в усилителе 6е1п схема включения в усилителе 6е1п схема включения в усилителе 6е1п схема включения в усилителе


Ламповый Усилитель На 145 Мгц Своими Руками
Электронный Фильтр Для Лампового Усилителя Схема
Схема Лампового Усилителя На 100Вт На Канал
Tda8356 Усилитель Звука Схема
Усилитель Звука 100У 101 Принципиальная Схема
Tda4661 Усилитель Звука Схема
Усилитель Звука 50 Ватт На Лампах 6П3С
Tda8351 Схема Усилителя Звука Своими Руками
La1519B10 Усилитель Схема Включения
4F53 Ошибка Бмв
4 Контурный Кран Камаз Где Находится
25548 Ошибка Шкода Октавия А7
Популярное:
Реле Дворников Урал 4320
Санг Енг Корандо 2002 Дизель Схема Воздуховода Отопителя
B151363
Замена Лобового Стекла Урал 4320
Сейчас смотрят:
Где Находится Предохранитель Крана Отопителя Газ 31105 Крайслер
Gps 300Ab 100V Схема
Как Слить Антифриз Крайслер Вояджер 2.4 Бензин
Замена Прокладки Клапанной Крышки Qx56
  • Наедине со всеми 2024
  • Все Рецепты
  • Ремонт Авто
  • Новости дня
  • Про насекомых каналы 2024
  • Детские каналы 2024
  • Игровые каналы 2024
  • Прожекторперисхилтон 2024
  • Воскресный вечер 2024
  • Камеди Вумен 2024
  • Жди меня 2024
  • 60 минут 2024
  • Вечерний Ургант 2024
  • КВН 2024
  • Однажды в России 2024
  • Уральские Пельмени 2024
  • Камеди Клаб 2024

2022 © для связи: moiafania@gmail.com
  •