• Comedy Club
  • Уральские Пельмени
  • Однажды в России
  • Вечерний Ургант
  • КВН

Нет Искры Рено Симбол 1.4 Причины

Нет искры рено симбол 1.4 причины
Рено симбол нет искры, не когда бы не поверил но это факт. нет искры рено симбол 1.4 причины.
Канал: Антон Коновалов - Категория: Ремонт Авто - Дата: 10.05.2024

В Рено пропала искра Самостоятельные попытки починить провалились

Автор: Гараж Автоэлектрика Life 165 085 просмотров

Renault Symbol не заводится думали проблема в насосе оказалось нет

Автор: Автоэлектрик Алёша 13 597 просмотров

Рено симбол не заводится

Автор: Павел Меньшаков 81 144 просмотра

Рено Симбол не заводится диагностикарено

Автор: Глазами Автодиагноста 15 521 просмотр


Фотографии

нет искры рено симбол 1.4 причины нет искры рено симбол 1.4 причины нет искры рено симбол 1.4 причины нет искры рено симбол 1.4 причины нет искры рено симбол 1.4 причины нет искры рено симбол 1.4 причины нет искры рено симбол 1.4 причины нет искры рено симбол 1.4 причины нет искры рено симбол 1.4 причины нет искры рено симбол 1.4 причины нет искры рено симбол 1.4 причины нет искры рено симбол 1.4 причины нет искры рено симбол 1.4 причины нет искры рено симбол 1.4 причины нет искры рено симбол 1.4 причины нет искры рено симбол 1.4 причины нет искры рено симбол 1.4 причины нет искры рено симбол 1.4 причины нет искры рено симбол 1.4 причины нет искры рено симбол 1.4 причины

Ответы на вопросы:

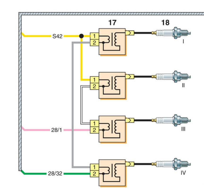
В чем может быть проблема если нет искры?
Если нет искры, то сломалась катушка, а если искра проявилась, то поломка связана с распределителем. Если виновницей неполадок является катушка, запчасть необходимо проверить на наличие механических повреждений и обгорелых частей, которые будут указывать на короткое замыкание.
Что отвечает за подачу искры?
Катушка зажигания – элемент системы запуска двигателя, без которого было бы невозможно создание искры.
В чем причина нет искры с катушки зажигания?
Если нет искры с катушки зажигания, то причина может скрываться во многих местах. Прежде всего, нужно проверить провод высокого напряжения, который должен быть в идеальном состоянии и без нарушения изоляции. В противном случае, провод нужно заменить. Если проблема не решилась, то проверяем свечи зажигания.
Почему нет искры на свечи зажигания?
Слабая искра может быть вызвана целым рядом причин: плохое состояние свечей зажигания; неправильный зазор между электродами; проблемы с электропроводкой; проблемы с проводами высокого напряжения; слабая батарея или проблемы с зарядкой; проблемы с катушкой зажигания.


Хендай Гетц Нет Искры Причины
Нет Искры Хендай Гетц 1.4 Причины
Пежо 308 Нет Искры На Свечах Причины
Пропала Искра На Ниссан Либерти Qr20
Нет Искры Зил 131
Нет Искры Ниссан Либерти Qr20De
Слабая Искра Рено Логан
Реле Стартера Рено Симбол 1.4 Где Находится
Нет Искры Солярис
Неисправность Тормоза И Не Глушится Веста 2023
Неисправность Системы Зарядки Тойота Камри V70
Не Работает Стеклоочиститель Хавал Джолион
Популярное:
Реле Дворников Урал 4320
Санг Енг Корандо 2002 Дизель Схема Воздуховода Отопителя
B151363
Замена Лобового Стекла Урал 4320
Сейчас смотрят:
Где Находится Предохранитель Крана Отопителя Газ 31105 Крайслер
Gps 300Ab 100V Схема
Как Слить Антифриз Крайслер Вояджер 2.4 Бензин
Замена Прокладки Клапанной Крышки Qx56
  • Наедине со всеми 2024
  • Все Рецепты
  • Ремонт Авто
  • Новости дня
  • Про насекомых каналы 2024
  • Детские каналы 2024
  • Игровые каналы 2024
  • Прожекторперисхилтон 2024
  • Воскресный вечер 2024
  • Камеди Вумен 2024
  • Жди меня 2024
  • 60 минут 2024
  • Вечерний Ургант 2024
  • КВН 2024
  • Однажды в России 2024
  • Уральские Пельмени 2024
  • Камеди Клаб 2024

2022 © для связи: moiafania@gmail.com
  •